Alle vermelde prijzen zijn exclusief BTW
Proffuse RoHS

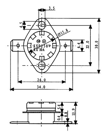
Bimetaal thermostaat NC open temp 70° - sluit temp. 55° - horizontaal



Aansluitingen - faston 6,3mm

10A / 250V
€ 1,69 per 1  (excl. 21% BTW)
Bij 1 stuks€ 1,69 per 1
Bij 5 stuks€ 1,41 per 1
Bij 10 stuks€ 1,25 per 1
Fabrikaatcode

BT-H70H

HOD code BT H70H
Fabrikaat Proffuse
Voorraadstatus  9